本社
〒808-0109福岡県北九州市若松区南二島2丁目6番7号
TEL:093-701-3501
FAX:093-701-3386
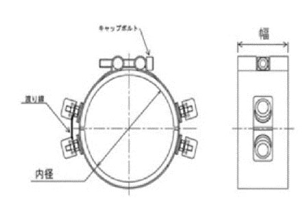
円筒形部品やパイプ、ホッパーなど外周から効率的に加熱するためのクランプ型ヒーターです。密着性が高く、熱効率に優れ、樹脂成形機のシリンダー加熱や包装機械、食品加工設備など幅広い産業分野で使用されています。形状・容量・端子方向など用途に応じたカスタム製作が可能です。



サイズに関しましては、受注生産で製作しておりますので、別途お問合せください





